Page 146 - WHO dunnit (Bally)

Basic HTML Version

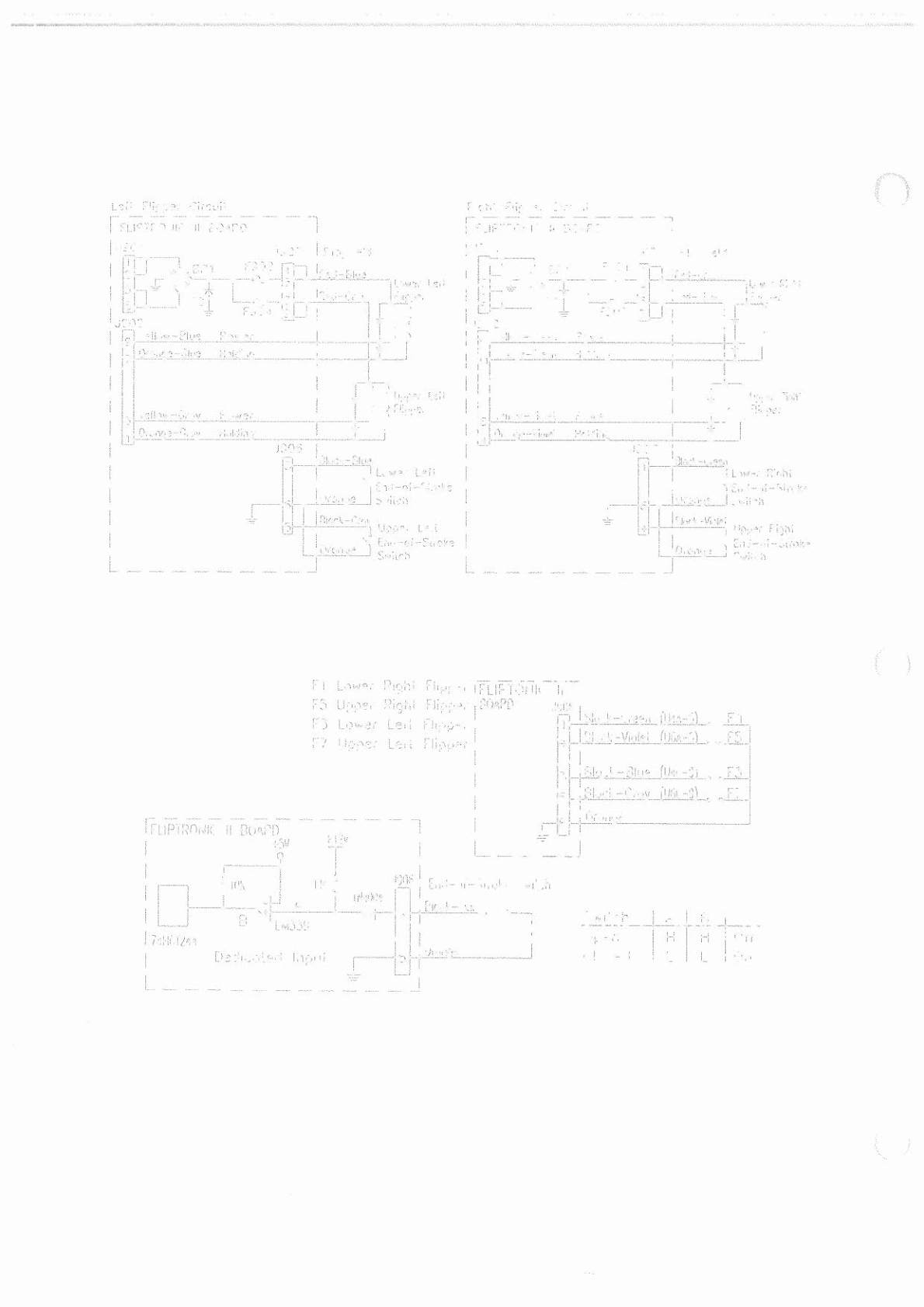
Flipper Coil Circuits
Flipper End-of-Stroke Switches
The flipper switch circuits operate similar to the dedicated switch circuit. The circuits are active low and
tied to ground through the switch.
When a switch closes the row side (dedicated input) of the circuit activates. The
U+"
input to the LM339
drops below
+5V
therefore its output is low. Since the row (dedicated input) circuit is tied directly to
ground through the switch, the switch is considered closed by the microprocessor.
When the switch
opens, the
U+"
input to the LM339 is about
+5V,
its output is high and the row (dedicated input) is inactive.
3-14