Page 145 - WHO dunnit (Bally)
Basic HTML Version
View Full Version
Table of Contents
Page 144
Page 146
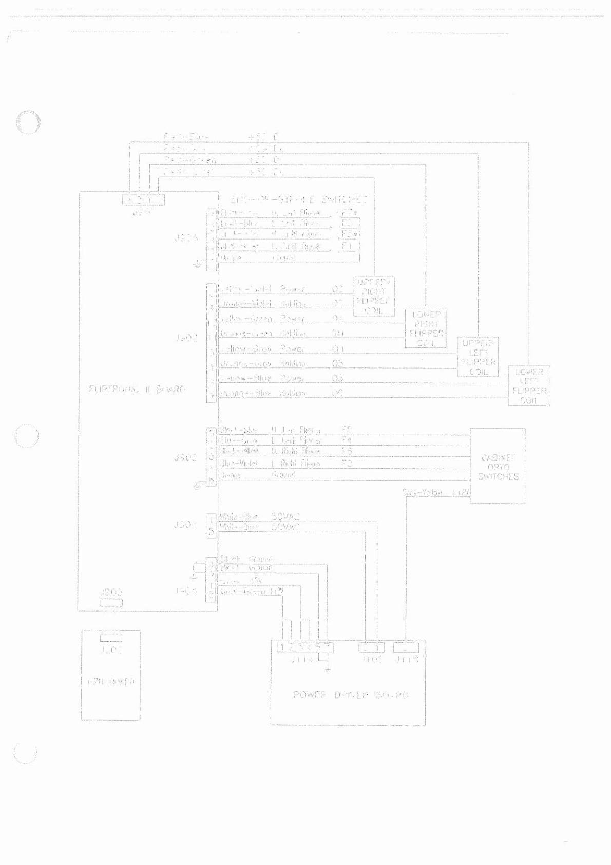
Flipper Circuit Diagram
*NOTE: May be used
as
circuits other than flipper circuits.
3-13
Planetary Pinball Supply, Inc