Page 179 - 75_75_WMS_ASPIRE
SEO Version
View Full Version
Table of Contents
Page 178
Page 180
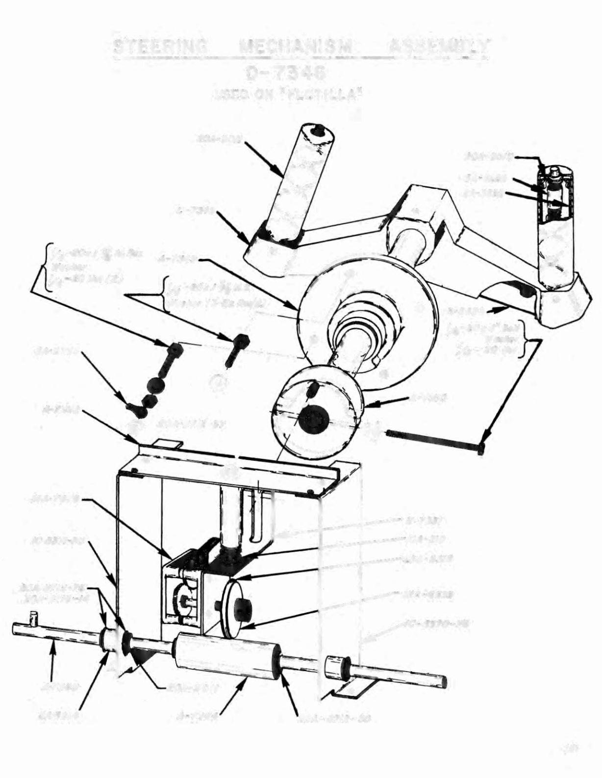
STEERI.NG
MECHANISM ASSEMBLY
0-7346
USED ON ••FLOTILLA"
!4
-20,
4"
Boll
I
Was"~r
~ -20 Nul
16)
Powered by
FlippingBook Publisher