Page 72 - 1980_BALLY PARTS ASPIRE

SEO Version

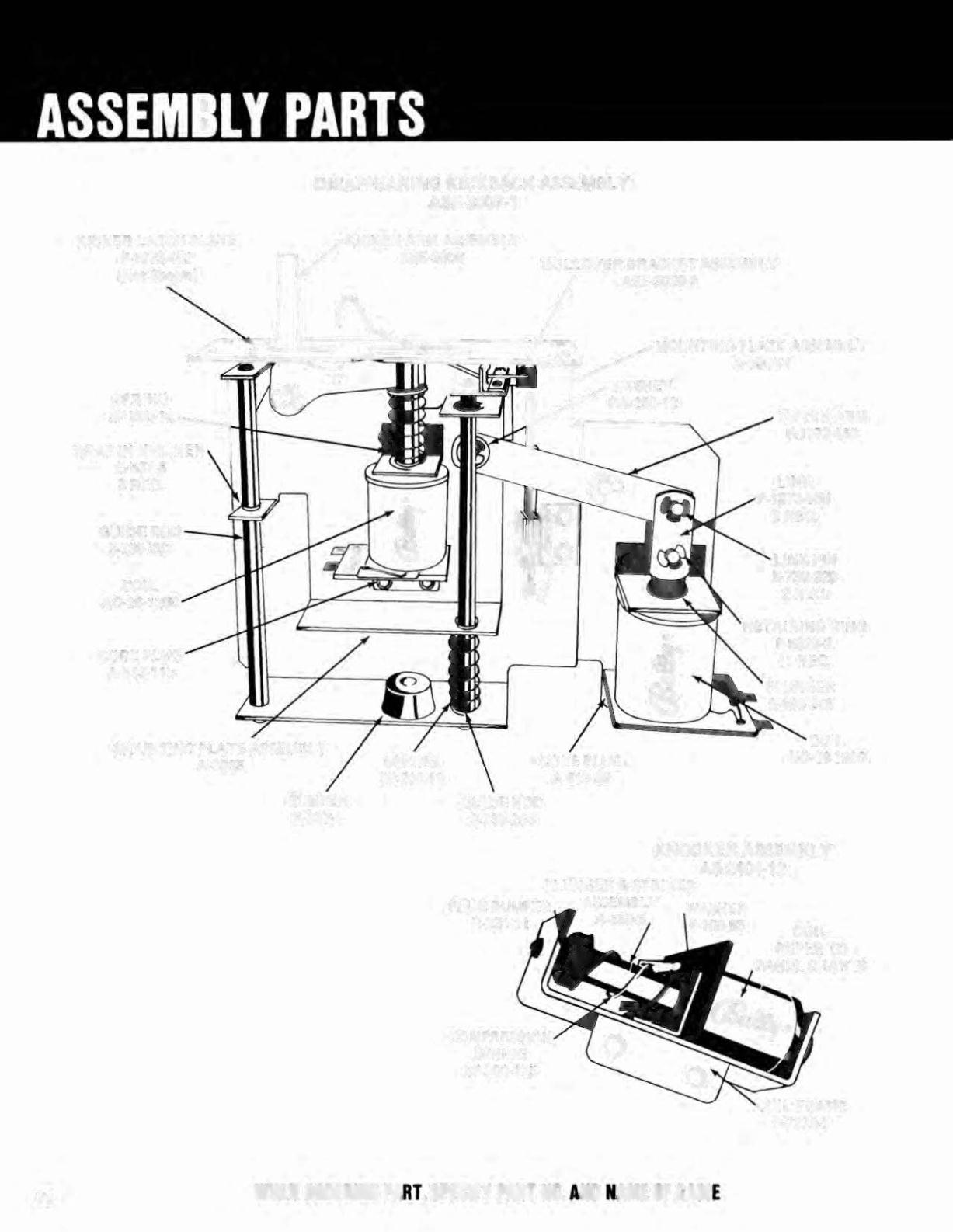
DISAPPEARING KICKBACK ASSEMBLY
ASE·3007·1
KICKER LATCH PLATE
P-1973-452
(Not Shown)
GUIDE: ROD
~- . . .Io~
S-739-251
KICKER ARM ASSEMBLY
ASE-3006
ROLLOVER BRACKET ASSEMBLY
ASE-3020-1
MOUNTI NG PLATE ASSEMBLY
A-3954-1
SPRING
SP-200-19
LIFTER
ARM
P-1973--450
SNAP IN NYLINER
C-537·S
3 REO_
LINK
P-1973-450
2
REO.
LINK PIN
5-739-229
2
REO_
CORE PLUG
A-613-'
15
RETAINING RING
P-5829·2
11
REO.
MOUNTING PLATE ASSEMBLY
A-3955
COIL
NO-26-190G
BUMPER
R·237-'
GUIDE ROD
5-739-256
KNOCKER ASSEMBLY
AS·2404·12
PLUNGER & STRIKER
ASSEMBLY
A-550·5
COI.L
REFERTO
PANEL CHARTS
COMPRESSION
SPRING
5P-200-175
72
WHEN ORDERING PART,
SPECifY PART NO. AND NAME OF GAME