Page 139 - WHO dunnit (Bally)
Basic HTML Version
View Full Version
Table of Contents
Page 138
Page 140
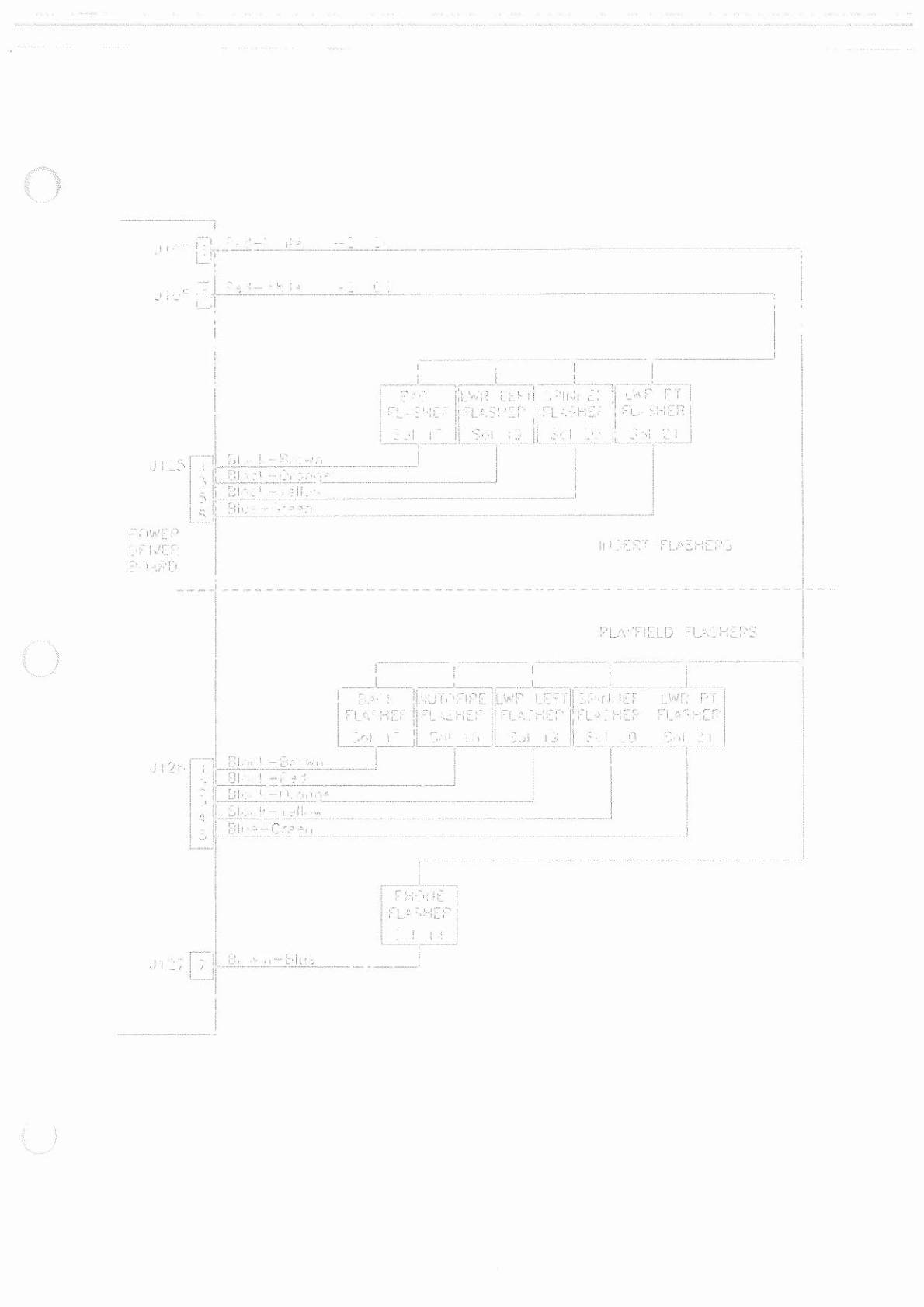
FLASHER WIRING
3-7
Planetary Pinball Supply, Inc